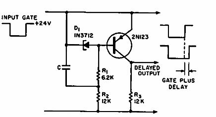
Este circuito de documentación de 1965 utiliza un diodo de túnel para retardar un pulso sin distorsión. Los componentes son de la época.

Retardo de pulso sin distorsión
Este circuito de documentación de 1965 utiliza un diodo de túnel para retardar un pulso sin distorsión. Los componentes son de la época.
