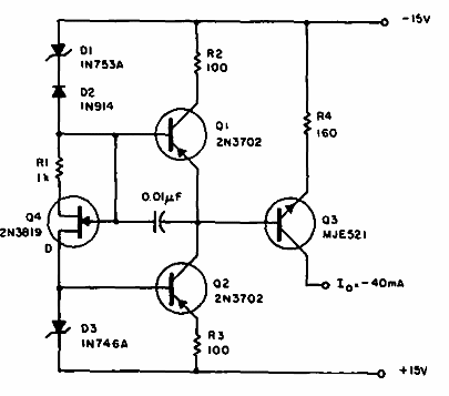
La configuración de esta fuente de alimentación es solo del 0.1%. Lo encontramos en una documentación estadounidense de 1969. Los transistores pueden ser equivalentes actuales. Tenga en cuenta el uso de la fuente simétrica.

Fuente de corriente constante de 40 mA



