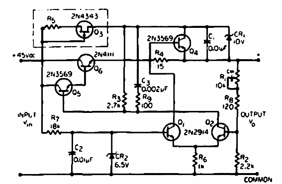
Encontramos este circuito en una documentación de 1968 en los Estados Unidos. El FET de potencia es un componente del tiempo y la corriente es de 4.5 mA solamente.

Fuente de corriente constante con FET
Encontramos este circuito en una documentación de 1968 en los Estados Unidos. El FET de potencia es un componente del tiempo y la corriente es de 4.5 mA solamente.
