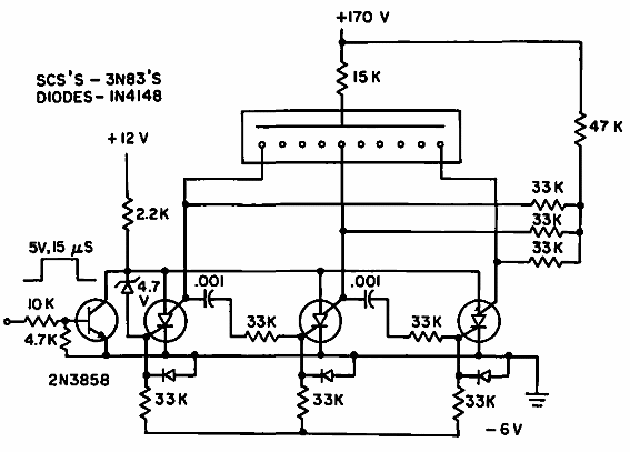
Sugerido por la documentación de General Electric en 1966, este circuito utiliza componentes inusuales hoy en día. Observe la tensión de alimentación de los tubos indicadores Nixie.

Driver para Tubo Nixie
Sugerido por la documentación de General Electric en 1966, este circuito utiliza componentes inusuales hoy en día. Observe la tensión de alimentación de los tubos indicadores Nixie.
