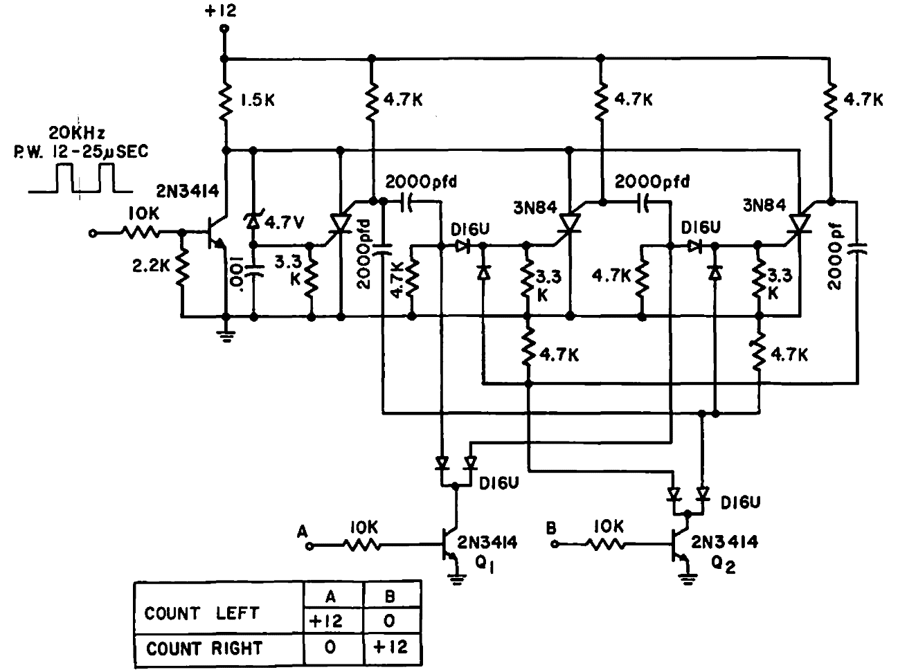
Este circuito se encontró en una documentación de General Electric de 1966. El circuito utiliza PUT que actualmente son componentes poco comunes. La dirección de conteo depende de la programación en A y B.

 

Contador en anillo reversible
Contador en anillo reversible | Haga click en la imagen para ampliar |