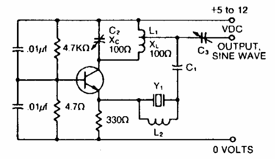
Encontramos este oscilador en una documentación de la década de 1980. La frecuencia depende del cristal y el transistor utilizado debe poder oscilar a la frecuencia deseada.

Oscilador de 50 a 150 MHz
Encontramos este oscilador en una documentación de la década de 1980. La frecuencia depende del cristal y el transistor utilizado debe poder oscilar a la frecuencia deseada.
