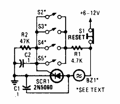
Este circuito se obtuvo de una Popular Electronics de los años 90. El SCR es de cualquier tipo y el número de sensores es ilimitado.

Alarma para sensores paralelos
Este circuito se obtuvo de una Popular Electronics de los años 90. El SCR es de cualquier tipo y el número de sensores es ilimitado.
