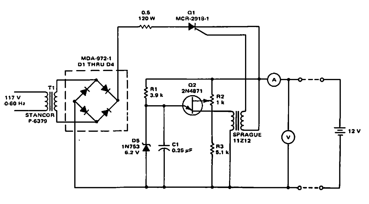
Encontramos este circuito en una publicación de Motorola de 1968. El circuito tiene una corriente de carga de 16 A que determina la corriente del transformador utilizado.
El circuito presentado en la figura sirve como preamplificador con ganancia de tensión del orden de...
Encontramos este circuito en una Electronic Design de 1965. Los transistores son de la época y se...
Este amplificador se obtuvo de una Electronics Now de los años 90. El circuito tiene una fuente de...