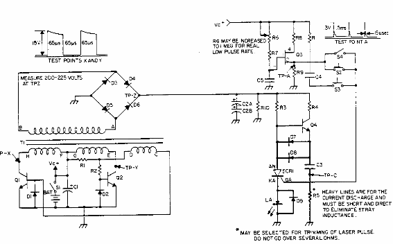
Encontrado en una documentación estadounidense de la década de 1980, este circuito genera pulsos de alta intensidad para un láser de alta tensión. El circuito produce pulsos de 200 a 300 V para la excitación de un láser de gas.

Pulsador de rifle invisible LASER



