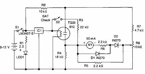
Encontrado en una documentación estadounidense de la década de 1980, este circuito hace uso de un sensor de la era poco común en la actualidad. El regulador suministra la corriente requerida para la operación del sensor. El indicador es un instrumento de escala completa de 50 mA posiblemente más pequeño con un cambio de R6.

Detector de gas y vapor



