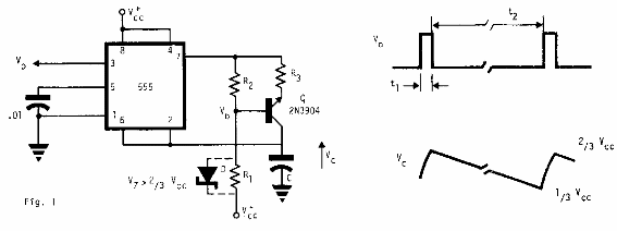
Este circuito fue sugerido por Electronic Engineering en una publicación de la década de 1980. El circuito hace uso de un transistor de propósito general y los resistores/capacitores dependen de la frecuencia de la señal.

Astable 555 con ciclo activo bajo



