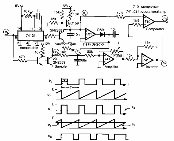
Este circuito está destinado a aumentar el ancho de un pulso. El circuito es TTL y puede usarse como shield. Lo encontramos en una Electronics Engineering de los 80.

Multiplicador de ancho de pulso
Este circuito está destinado a aumentar el ancho de un pulso. El circuito es TTL y puede usarse como shield. Lo encontramos en una Electronics Engineering de los 80.
