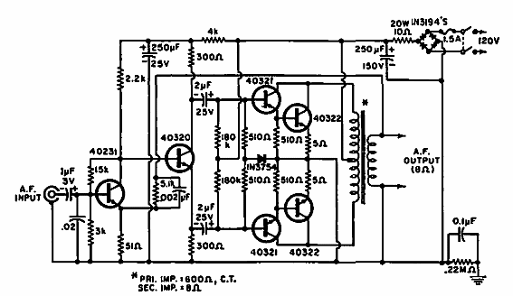
Encontrado en una Electronics World de 1966, este circuito está diseñado para usarse con un micrófono en un gabinete amplificado. Los transistores son de la época y no se proporciona información sobre el transformador.

Amplificador de megáfono de 25 W



