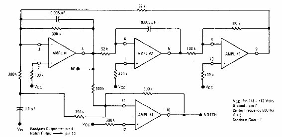
Encontramos este circuito en una documentación de Motorola de la década de 1980. El circuito utiliza operacionales comunes y la tensión depende del tipo utilizado. Los componentes son para una frecuencia de 500 Hz.

Filtro de paso de banda y rechazador



