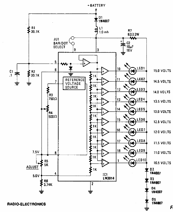
Encontramos este circuito en un Radio Electronics de los años 80. Todavía se puede ensamblar fácilmente ya que el circuito integrado utilizado sigue siendo común. El circuito está alimentado por tensiones de 9 a 12 V.

Voltímetro de gráfico de barras
Encontramos este circuito en un Radio Electronics de los años 80. Todavía se puede ensamblar fácilmente ya que el circuito integrado utilizado sigue siendo común. El circuito está alimentado por tensiones de 9 a 12 V.
