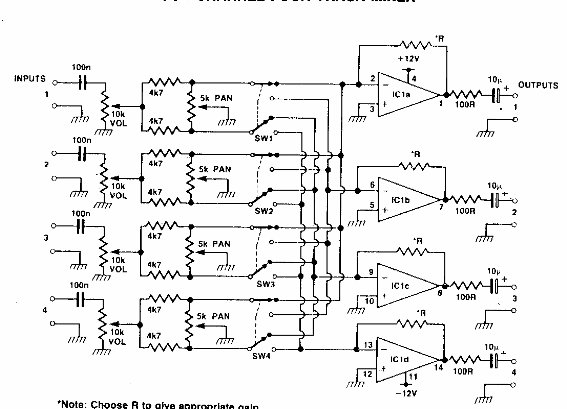
Este elaborado mezclador es de Electronics Today International de la década de 1980. Los amplificadores operacionales son comunes y los resistores sin valor determinan la ganancia de los pasos de amplificación. El mezclador tiene 4 entradas y 4 salidas.

Mezclador de 4 canales y 4 pistas



