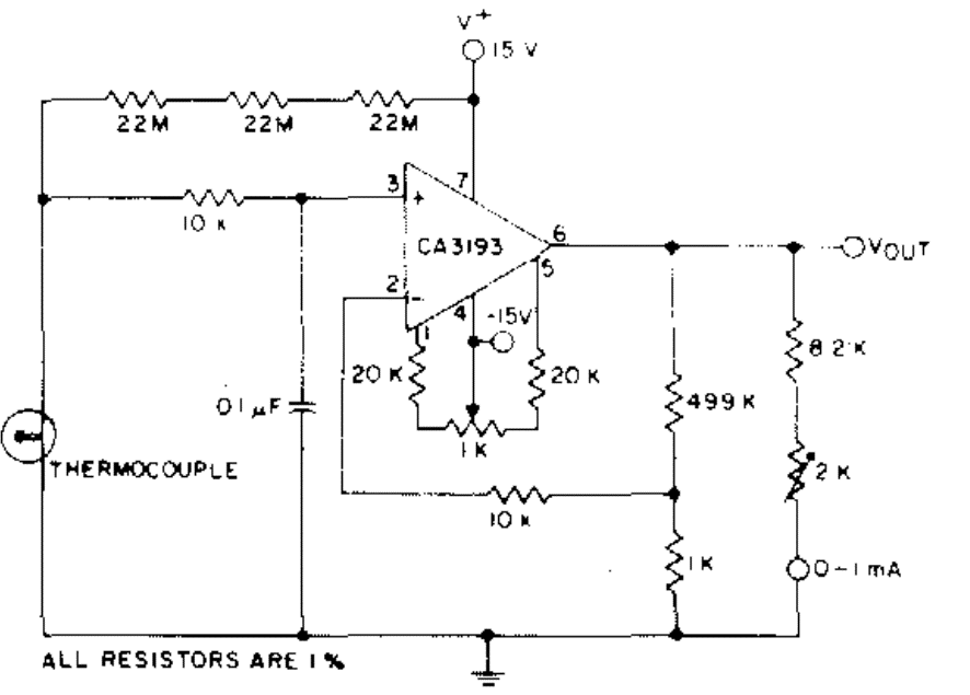
Este circuito es de una aplicación de los años 80 de General Electric y RCA. El circuito utiliza un operacional inusual con FET, por lo que puede usar resistencias de alto valor para determinar la ganancia.

 

Amplificador de termopar
Amplificador de termopar | Haga click en la imagen para ampliar |