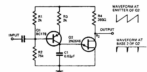
El transistor de este circuito puede ser el BC558. El circuito es de una documentación antigua que genera alrededor de 8 kHz como frecuencia central. La línea de alimentación positiva, no mostrada, puede tener tensiones de 9 a 15 V.

Oscilador controlado por tensión simple



