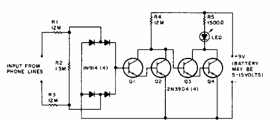
Este circuito se encontró en una publicación estadounidense de la década de 1980. Indica cuando el teléfono está descolgado al activar un indicador.

Indicador telefónico descolgado
Este circuito se encontró en una publicación estadounidense de la década de 1980. Indica cuando el teléfono está descolgado al activar un indicador.
