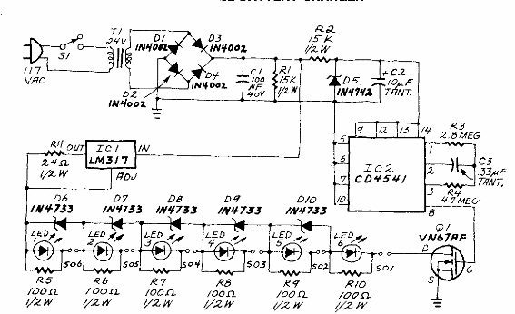
Este circuito es de Radio Electronics de los 80. El circuito tiene varias opciones de salida para corrientes de 50 mA con indicador de carga a través de LED.

Cargador de batería
Este circuito es de Radio Electronics de los 80. El circuito tiene varias opciones de salida para corrientes de 50 mA con indicador de carga a través de LED.
