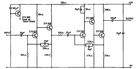
Este circuito de los años 70 usa transistores de la época. El circuito puede amplificar señales de 10 Hz a 100 kHz y se pueden utilizar componentes equivalentes modernos. El circuito es de Ferranti.

Paso de 86 dB de ganancia
Este circuito de los años 70 usa transistores de la época. El circuito puede amplificar señales de 10 Hz a 100 kHz y se pueden utilizar componentes equivalentes modernos. El circuito es de Ferranti.
