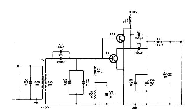
Este circuito de Philips de 1965 utiliza transistores antiguos como el BFY51 y el BFY50. El circuito está alimentado por 12 V y la ganancia de potencia es de 8.9 dB.
Tenemos aquí una interesante versión de alarma temporizada que puede utilizar los más diversos...
Este sencillo circuito imita el sonido de una ametralladora y con un condensador más grande...
Una solución bastante atractiva aún en nuestros días para un amplificador de baja potencia simple...