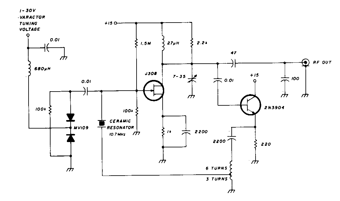
Este circuito se encontró en una documentación de la década de 1980 para la radioafición. El circuito utiliza componentes de la época, pero se pueden usar equivalentes modernos.

 

Oscilador resonador sintonizado de 10 MHz
Oscilador resonador sintonizado de 10 MHz | Haga click en la imagen para ampliar |