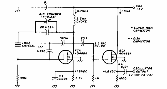
Este circuito se obtuvo de la revista HAM Radio en un número de los 80. Los FET son tipos de tiempo y la frecuencia está determinada por el cristal. El circuito opera con tensiones de 3 a 9 V.

Oscilador de 1 MHz con FET
Este circuito se obtuvo de la revista HAM Radio en un número de los 80. Los FET son tipos de tiempo y la frecuencia está determinada por el cristal. El circuito opera con tensiones de 3 a 9 V.
