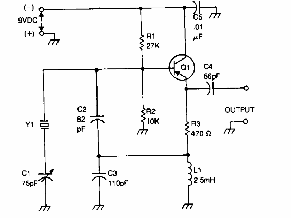
Este circuito se obtuvo de una documentación estadounidense de la década de 1980. La frecuencia depende del cristal y el circuito puede ser un PNP que alcanza la frecuencia generada.

Oscilador Colpitts
Este circuito se obtuvo de una documentación estadounidense de la década de 1980. La frecuencia depende del cristal y el circuito puede ser un PNP que alcanza la frecuencia generada.
