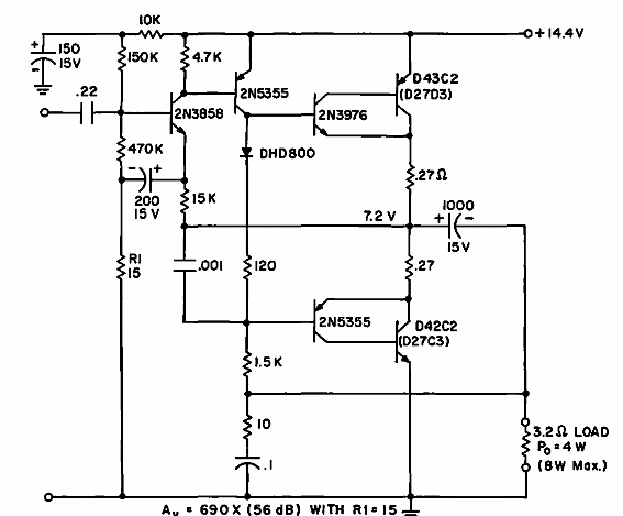
Este circuito de alta ganancia es de la documentación de General Electric de 1969. Los transistores son de la época, pero se pueden buscar tipos equivalentes.

Amplificador de 4W
Este circuito de alta ganancia es de la documentación de General Electric de 1969. Los transistores son de la época, pero se pueden buscar tipos equivalentes.
