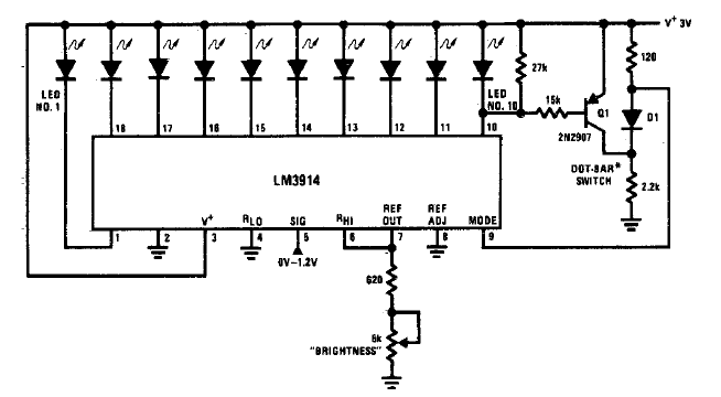
Este circuito es del manual LM3914 y se puede encontrar en otras partes de este sitio y de otras fuentes. El circuito solo se puede alimentar de 9 a 12 V y el ajuste del rango de operación se realiza en el trimpot.

 

Indicador y alarma LM3914
Indicador y alarma LM3914 | Haga click en la imagen para ampliar |