Este circuito se encontró en un manual de Linear Technology de la década de 1990. El circuito utiliza el LT1087, un 1.2L GTL de la compañía. El circuito es ideal para alimentar dispositivos microcontrolados.

Terminación de tensión de 1,2 V
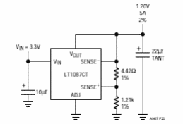
Este circuito se encontró en un manual de Linear Technology de la década de 1990. El circuito utiliza el LT1087, un 1.2L GTL de la compañía. El circuito es ideal para alimentar dispositivos microcontrolados.
