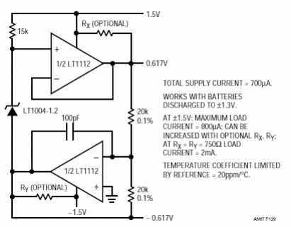
Encontramos este circuito en una documentación estadounidense de los 80. Los resistores deben ser de alta precisión y la fuente simétrica. La corriente de salida máxima es de 700 uA.

Referencia de doble tensión LT1112
Encontramos este circuito en una documentación estadounidense de los 80. Los resistores deben ser de alta precisión y la fuente simétrica. La corriente de salida máxima es de 700 uA.
