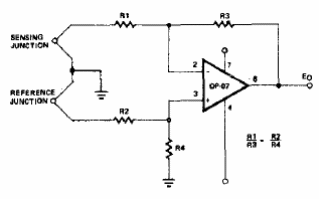
Este otro amplificador de termopar de alta estabilidad utiliza un operacional de los años 80. El circuito se puede utilizar con otros más modernos. La fuente de alimentación debe ser simétrica de acuerdo con el operacional utilizado.

Amplificador de termopar de alta estabilidad



