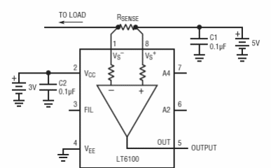
Este circuito utiliza un LT6100 de Linear Technology que se ha tomado de la hoja de datos del componente. El circuito es para cargas alimentadas por 5 V y puede funcionar como un shield.

Sensor de corriente para línea de alimentación positiva
Este circuito utiliza un LT6100 de Linear Technology que se ha tomado de la hoja de datos del componente. El circuito es para cargas alimentadas por 5 V y puede funcionar como un shield.
