Este monitor de corriente de lado alto se encontró en un documento técnico de Linear Technology de 2005. El circuito proporciona una corriente de 0 a 1 mA para tensiones de 0 a 1 V.

Monitor de corriente LT1789
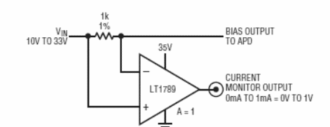
Este monitor de corriente de lado alto se encontró en un documento técnico de Linear Technology de 2005. El circuito proporciona una corriente de 0 a 1 mA para tensiones de 0 a 1 V.
