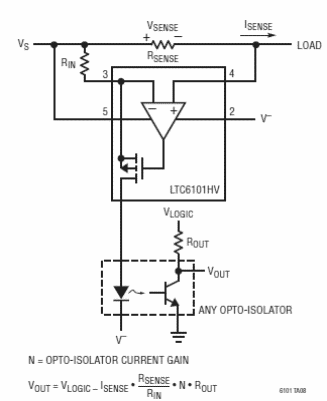
Este circuito de 48 V con una capacidad de hasta 105 V se encontró en un manual de Linear Technology de 2005. El circuito utiliza un acoplador óptico para la interfaz.

Monitor de corriente con salida aislada
Este circuito de 48 V con una capacidad de hasta 105 V se encontró en un manual de Linear Technology de 2005. El circuito utiliza un acoplador óptico para la interfaz.
