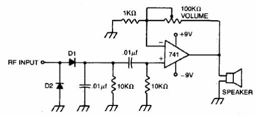
El propósito de este circuito es monitorear una señal de amplitud modulada con su reproducción en un altavoz pequeño. El circuito también funcionará con una fuente de 6 + 6 V. El altavoz debe tener una impedancia de 8 a 32 ohms. Los diodos son germanio.

Monitor de modulación



