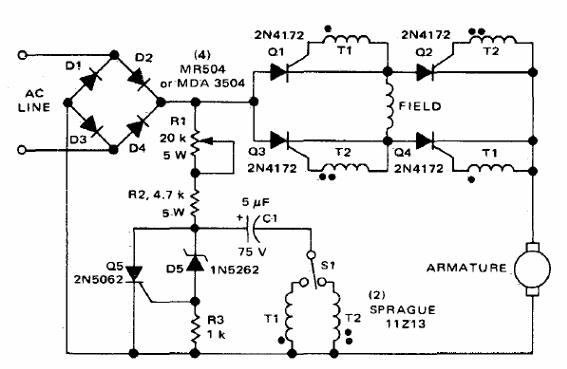
Este circuito de control de motor en serie se obtuvo de un antiguo manual de los años 80. Los SCR deben ser específicos del motor y no se proporciona información sobre las bobinas que son tipos comerciales de la época.

control de velocidad y dirección



