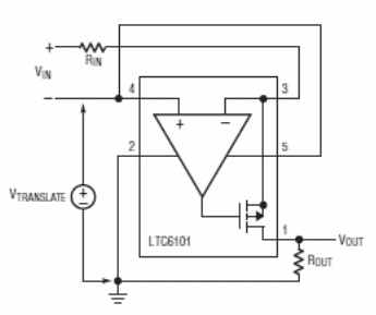
Lo que hace este circuito es cambiar el nivel lógico de una señal, sirviendo así como una interfaz lógica diferente. El circuito es de un manual de 2005 Linear Technololgy usando un LT6101.

Circuito de transferencia de voltaje
Lo que hace este circuito es cambiar el nivel lógico de una señal, sirviendo así como una interfaz lógica diferente. El circuito es de un manual de 2005 Linear Technololgy usando un LT6101.
