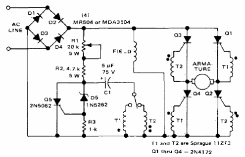
Este circuito para motores de derivación se encontró en una documentación estadounidense de la década de 1980. El SCR debe estar clasificado tanto para la carga controlada como para los diodos.

Control de velocidad y dirección para motores de derivación



