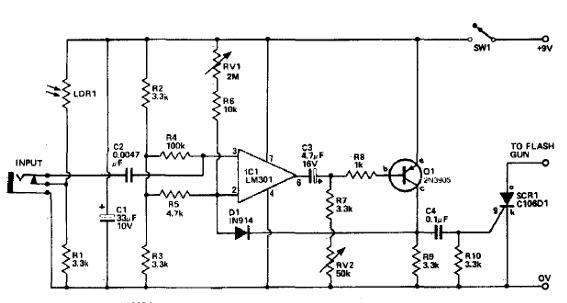
Este circuito es de la antigua documentación estadounidense destinada a disparar el flash de una cámara con el sonido captado por un micrófono. La señal activa el circuito.

Flash disparado por sonido
Este circuito es de la antigua documentación estadounidense destinada a disparar el flash de una cámara con el sonido captado por un micrófono. La señal activa el circuito.
