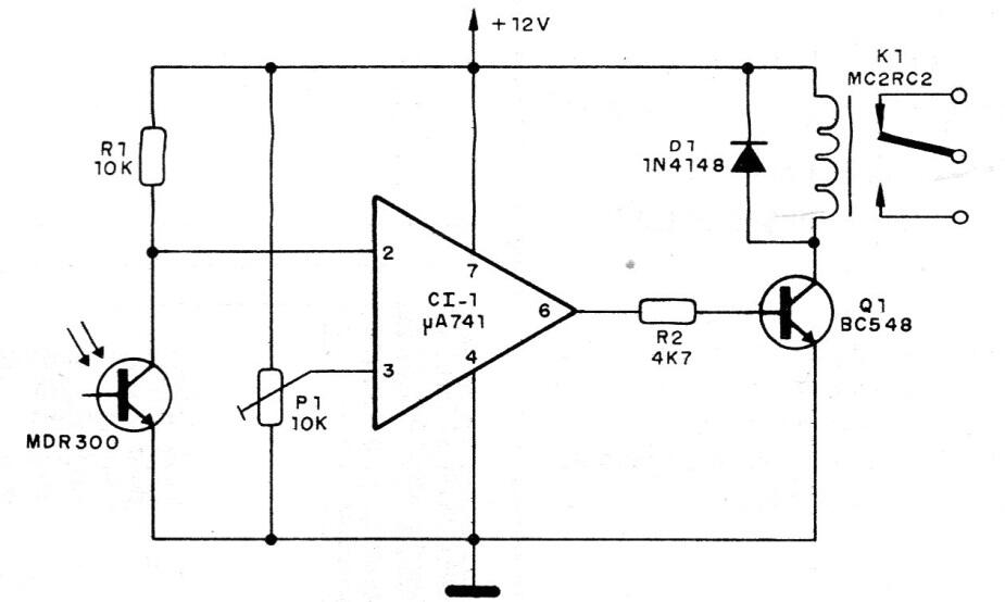
Este simple circuito de relé de luz se encontró en una documentación de 1988. La base es el operador 741 que tiene un potenciómetro de ajuste en una de las entradas. El relé es de 12 V o como se suministra. El circuito no requiere fuente simétrica. Se puede usar cualquier fototransistor.




