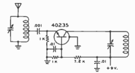
Este es un paso de amplificación de RF para señales pequeñas que utilizan la configuración de base común. El transistor es específico de RF y los circuitos resonantes son para la frecuencia de las señales que deben amplificarse.

Amplificador de RF de base común



