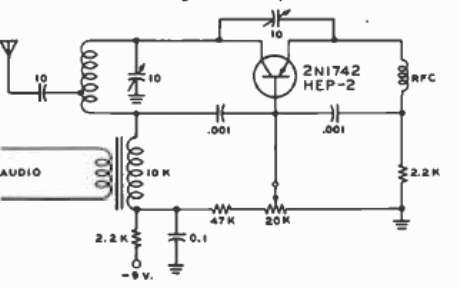
Este circuito fue encontrado en una antigua documentación estadounidense. El transistor puede ser un equivalente NPN de RF simplemente invirtiendo la polaridad de potencia. El transformador es el tipo que se encuentra en pequeñas radios de transistores. La bobina depende del rango de frecuencia que desea sintonizar.

Receptor super regenerativo de VHF



