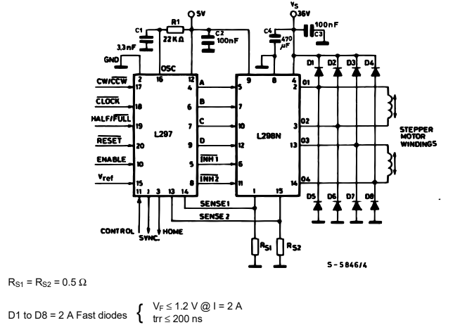
Este circuito es de la propia hoja de datos de ST Microcelectronics L298. Este es un control de motor paso a paso que tiene entradas compatibles con TTL. Por esta razón, se puede encontrar en muchos shields comerciales.

 

Control de motor paso con L298
Control de motor paso con L298 | Haga click en la imagen para ampliar |