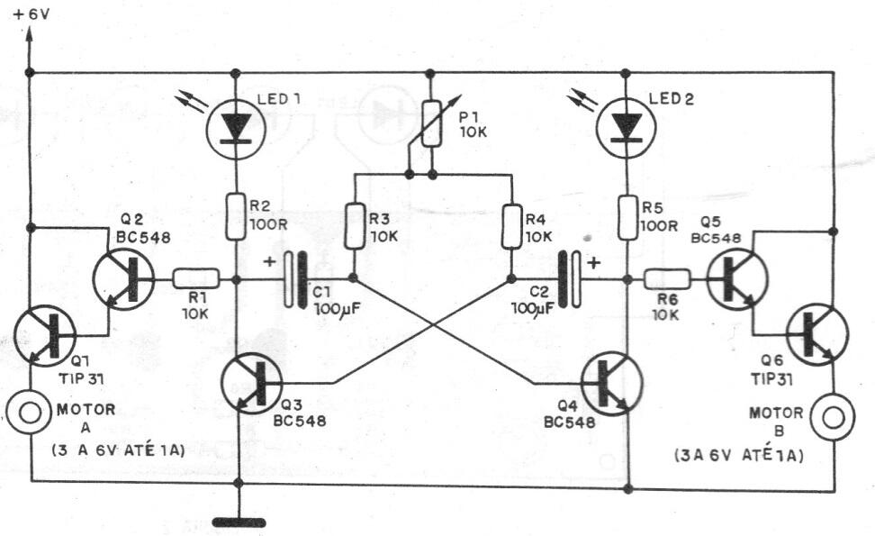
En la versión original de este circuito de 1987, las cargas son bombillas, pero se pueden adaptar para controlar una buena cantidad de LED de alimentación. Para lámparas de más de 500 mA, los transistores de potencia deberán estar equipados con disipadores de calor. El ajuste de frecuencia de los parpadeos debe realizarse en el potenciómetro P1. En la versión original, las lámparas son de 6 V, pero el circuito también funciona con 12, utilizando lámparas para esta tensión.




