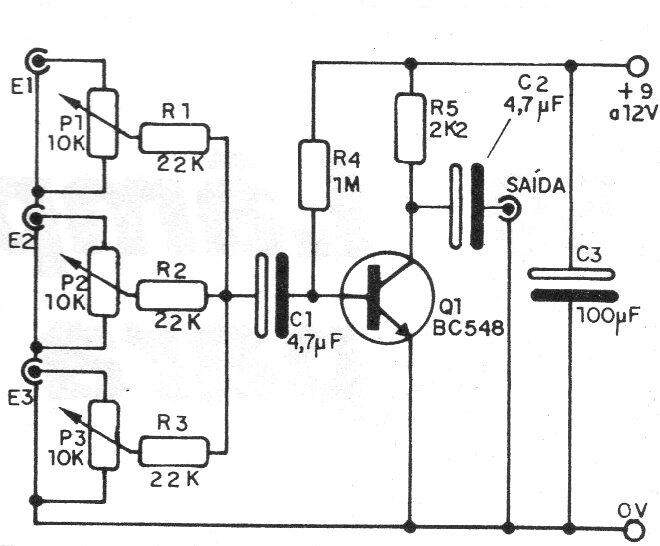
Esta versión convencional con un transistor, a menudo explorada en nuestro sitio web, se encontró en una documentación de 1987. La alimentación se puede suministrar con voltajes de 9 a 12 V, el consumo de energía es muy bajo, lo que permite utilizar baterías y más entradas. ser agregado Los cables de señal deben estar apantallados.




