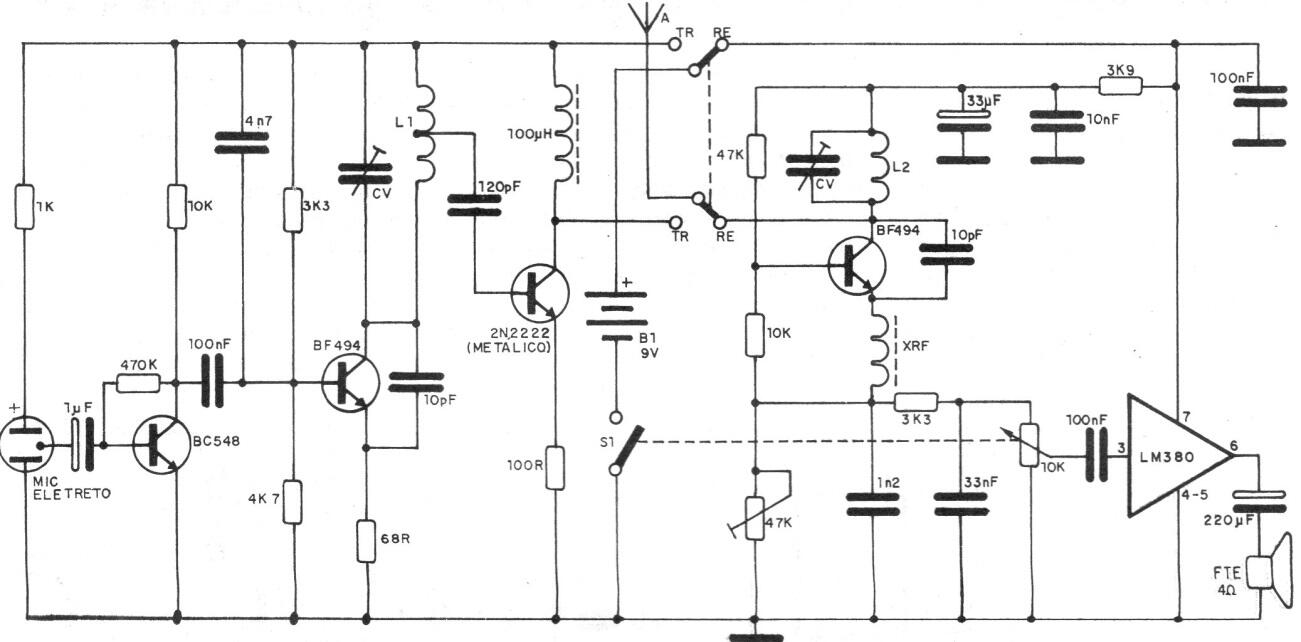
Este circuito que utiliza componentes que aún son comunes en nuestro mercado se encontró en una documentación de 1987. L1 consta de 11 bucles de cable de 1 cm sin núcleo, mientras que L2 tiene las mismas características. La antena es telescópica y los trimmers realizan ajustes de frecuencia para la transmisión y recepción. El amplificador de audio LM380 se puede reemplazar por tipos más modernos. Es conveniente alimentar el circuito con 6 celdas pequeñas o medianas dado su consumo. La antena es de 80 cm a 120 cm de largo.




