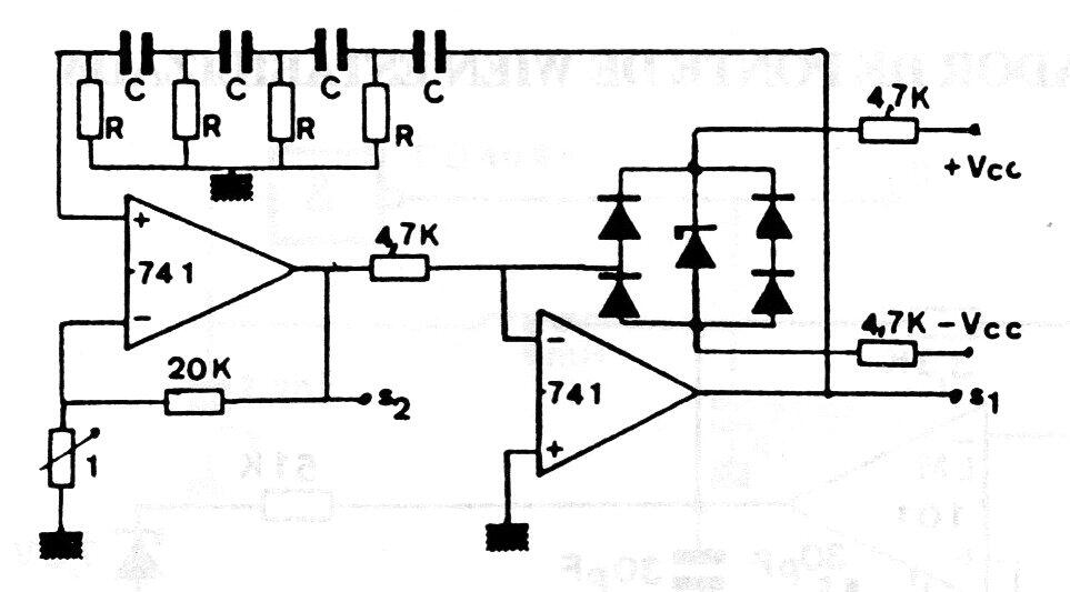
Esta configuración bien diseñada del oscilador de cambio de fase se encontró en una antigua documentación europea. El circuito debe ser alimentado por una fuente simétrica que proporcione señales con tres formas de onda. Los diodos se usan comúnmente y la frecuencia está determinada por los capacitores de la red de retroalimentación.




