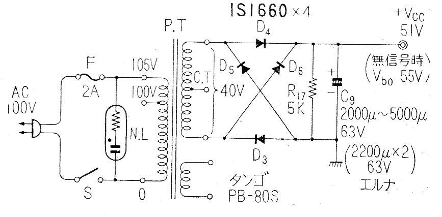
Esta es la fuente indicada para el amplificador del proyecto anterior (CIR12312S). La corriente para un canal es de 1 A ya que el circuito tiene una corriente máxima de 800 mA. Para dos canales, la corriente debe duplicarse. Tenga en cuenta la alta tensión de alimentación utilizada en este tipo de circuito.




