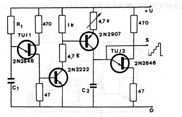
Lo que hace este circuito es generar una señal de patrón de escalera que contiene los pasos donde salta el voltaje de salida. Los transistores unijuntura pueden ser 2N2646 y los otros transistores admiten equivalentes. El capacitor C1 y el resistor R1 determinan cómo se genera la señal y deben calcularse de acuerdo con la aplicación.




