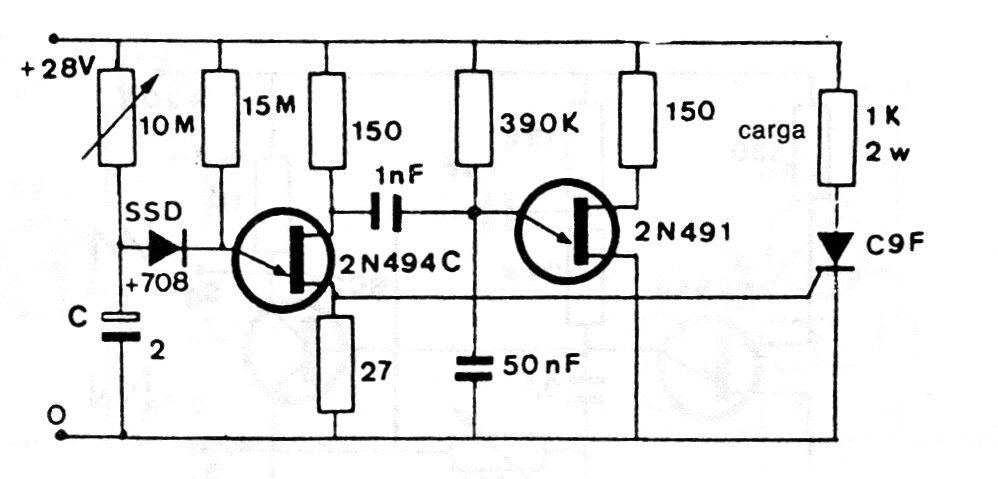
El capacitor de 2uF utilizado en este circuito debe ser de excelente calidad con una mínima fuga para lograr el tiempo deseado. Incluso se pueden usar capacitores más grandes. El circuito dispara un SCR que puede ser del tipo TIC106. El circuito es de una documentación de los años 80.




