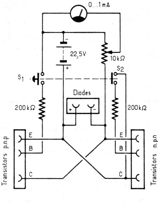
Este es un segundo circuito que encontramos en una documentación francesa de 1981. Vea el proyecto anterior. El circuito también proporciona transistores NPN y PNP de propósito general y de potencia media, y como indicador tiene un microamperímetro de escala completa de 1 o 2.5 mA. La alimentación se realiza mediante baterías.

Probador de transistores II



